BMW-PGY继电保护试验电源屏
产品属性
- 所属分类:其他电力设备
- 产品编号:1560995099
- 浏览次数:0
- 发布日期:2023-04-11
- 产品概述
- 性能特点
- 技术参数
BMW-PGY型继电保护试验电源屏是十大澳门网投平台信誉排行榜依据能源部《发电厂、变电站工程继电保护试验仪器仪表配置定额》、《继电保护检验条例》和电力工业部颁发《电力系统继电保护及自动化装置反事故措施要点》 的有关规定开发的产品。 该产品适用于变电站、发电厂的继电保护试验, 为其提供可靠、稳定的交直流试验电源。
使用条件
1.环境温度:-10℃~40℃;
2.海拔高度:<2000米;
3.空气湿度在+40℃时不大于50%,在较低温度时允许有较高的湿度,在+20℃时不大于90%;
4.安装倾斜度与铅垂线相差不大于5°;
5.安装场所机械振动振幅不大于0.05mm,频率不大于600次/分;
6.周围介质无爆炸危险,无导电尘埃与腐蚀性气体。
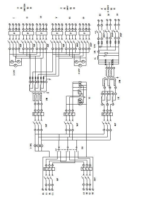
屏面布置和安装尺寸
屏体前后门带锁,前面为玻璃门,屏面绘有模拟电路,使操作人员易于识别,避免误操作。屏面布置及安装尺寸图见附图。
主要技术指标
1.交流输入电源
2路380/220V供电,互为备用,20KVA连续工作制,其中15KVA供交流部分使用,5KVA供直流部分使用。
2.交流输出电源
3路380V三相四线,10A
3路100V 三相四线,10A
1路380V 三相四线插座
6路220V单相插座
三相输入平衡时,输出不平衡度小于1%,三次谐波小于3%
3.直流输出电源
3路0~250V连续可调,20A
纹波系数K<1.5%
4.耐压
输入输出回路对地绝缘强度能耐受交流2000V,1分钟试验
5.寿命
按所用开关寿命为20000次通断
性能特点
1.交直流电源隔离变压器接线方式为Dy11,并在初级与次级之间加装屏蔽层,限制三次谐波;
2.交流回路采用漏电保护开关,保证操作人员不受伤害;
3.输入输出回路有指示灯、电压表、电流表监视。
使用操作
1. 使用前,应先检查屏内设备是否完好,接线是否脱落。
2. 所有开关应处于断开位置,调压器逆时针转到底。
3. 首先合上1QF或2QF,转换开关1SA转到相应的一侧,屏顶的三个指示灯亮,装置上电。注意1QF和2QF不要同时合上,1SA不要带负荷切换。
4. 合上5QF,所有试验插座上电。
5. 合上3QF, 交流部分上电,电压表1~3PV和4~6PV分别监视380伏和100伏的三相电压。6QF、7QF、8QF是三路380伏三相四线输出开关,9QF、10QF、11QF是三路100伏三相四线输出开关。6QF、7QF、9QF、10QF在屏前的Ⅰ、Ⅱ、Ⅴ、Ⅵ接线端子输出,8QF、11QF在屏后的端子排输出。
6. 合上4QF直流部分上电,电压表7PV和电流表1PA分别监视输出电压和电流。转动调压器1TC的手轮可以调节输出电压。 组合开关12QF、13QF、14QF是三路直流输出开关,12QF、13QF在屏前接线端子Ⅲ、Ⅳ输出,14QF在屏后端子排输出。
7. 实验完毕后,把所有开关断开,调压器手轮逆时针转到底。




